技术交流:021-51697023 | 合作咨询 |  | 常见问题解答
技术支持 业务交流 合作代理
点击这里给我发消息 点击这里给我发消息 点击这里给我发消息
领波首页 中频炉谐波治理 电弧炉滤波补偿 整流变频类滤波补偿 快变负荷动态补偿 滤波补偿案例 中频工招聘求职 联系领波
产品直通车>>>
40吨中频炉谐波治理 20吨中频炉谐波治理 3-15吨中频炉谐波治理 电弧炉稳压改造 直流电机动态补偿 有源滤波器APF 静止无功发生器SVG
谐波治理应用方案 动态无功补偿方案
产品分类
中频炉谐波治理产品系列
24脉冲中频炉谐波治理装置
12脉冲中频炉谐波治理装置
6脉冲中频炉谐波治理装置
单台中频炉低压滤波补偿装置
多台中频炉高压滤波补偿装置
电弧炉滤波补偿产品系列
电弧炉滤波补偿产品A
整流变频类滤波补偿产品系列
整流变频类滤波补偿产品A
快变负荷类动态补偿产品系列
快变负荷类动态补偿产品1
特殊电压等级类滤波补偿产品系列
特殊电压等级类滤波补偿产品1
滤波补偿核心元器件产品系列
滤波补偿核心元器件产品1
有源电力滤波器APF产品系列
有源电力滤波器APF产品1
第四代动态补偿SVG产品系列
第四代动态补偿SVG产品1
组合生产线类滤波补偿产品系列
组合生产线类滤波补偿产品1
组合生产线类滤波补偿产品2
中频炉谐波治理产品系列 当前位置:首页 >> 中频炉谐波治理产品系列 
24脉冲中频炉谐波治理装置
24脉冲中频炉谐波治理装置
领波公司研发的24脉冲中频炉谐波治理装置主要是针对24脉波中频电源高次谐波含量高的特点,一般在高压侧设计4-5条包括23次高通的单调谐滤波支路,满足系统滤除低次和高次谐波的全面要求,技术含量高滤波效果好,深受大容量中频炉用户的欢迎!
产品特点 工作原理 技术参数 安装场地要求
      中频感应加热炉是一种快速稳定的金属加热装置,它是通过变频整流装置将三相工频交流电转换为单相中频交流电来加热金属原料,在工频转换为中频过程中产生大量谐波,当前中频炉变频整流装置是采用多脉冲整流,多脉冲整流产生的主要特征谐波多为整流脉冲数±1次,因此对6脉冲中频炉整流设备,谐波分量最大是5次和7次,12相脉冲中频炉整流设备,主导特征谐波分量最大是11次和13次,而对24脉冲中频炉整流设备,主导特征谐波分量最大则是23次和25次。
     领波公司研发的24脉冲中频炉谐波治理装置主要是针对24脉波中频电源高次谐波含量高的特点,一般在高压侧设计4-5条包括23次高通的单调谐滤波支路,满足系统重点滤除高次谐波并兼带消减抑制低次谐波的全面要求,具有如下特点:
1、领波公司24脉冲中频炉谐波治理装置不但充分考虑装置的针对性滤波效果,而且考虑到系统稳定裕度变小,安全可靠性变差等可能问题出现时的自动切除保护设计,确保滤波装置不会影响整个配电系统的安全运行。
2、系统节约能耗运行是设计滤波装置考虑的第二个问题,我们设计滤波装置可以通过计算机仿真,结合实际生产经验优化,运行能耗比一般设计方案减少近1/2。
3、在保证装置安全、可靠、经济运行的前提下,使直流系统注入电网的谐波电流以及引起的谐波电压在一定的限值以内,同时保证月平均功率因数达到要求。
4、在保证各项经济技术指标前提下,尽可能避免分散治理,减少制造成本,提高装置的性价比。
5、装置的滤波效果往往与安全经济指标是矛盾的,与制造成本也是矛盾的,我们的设计是通过技术、经济最优化配置论证进行的。
6、设备运行可靠,自动控制投切,操作简单。
7、设备长期运行的免维护性和八年以上的超长使用寿命。

       配电系统内的谐波是按照阻抗高低形成的“潮流”在各类供配电设备组成的系统内进行流窜,无源滤波的原理就是用电抗器和电容器配合形成针对某次谐波的低阻抗LC滤波通道让这次的谐波流入并短路。LC滤波器主要有调谐和滤波器,双调谐和滤波器,高通滤波器,C型滤波器等。实际运用中根据谐波电流的分布及大小以及无功需求情况设计成几组滤波器,每一组滤波器对应某一次谐波呈低阻抗,高通滤波器对截止频率以上的谐波均呈现低阻抗,C型滤波具有调谐频带宽,损耗低的特点。滤波器的分组需进行精密计算,既要滤除主要的谐波电流,也要满足无功补偿要求,同时还要防止在某一词整数次频率下由于滤波器与系统阻抗发生并联谐振而产生的谐波电流放大。由滤波电容器,滤波电抗器等适当组合成LC滤波装置,滤波器除起滤波作用外,还兼作无功补偿作用。

   24脉冲中频炉无源滤波器主要通过计算机仿真设计软件来针对24脉冲中频电源产生的谐波特点,设计3-5条针对系统内5次、7次、11次、13次和23以上次谐波的低阻抗通道来吸收消减系统内产生的各次特征谐波。根据电压等级可以设计为35KV、10KV、6.3KV、400-1000V各个电压等级的滤波补偿支路,一般24脉冲中频炉因为低压侧有四项输出需要设计四套多滤波通道的滤波补偿装置,投入费用太高而很少采用,多采用高压母线侧设计一套高压滤波补偿装置进行集中滤波补偿

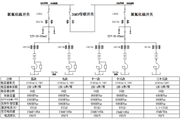
24脉冲中频炉谐波治理装置案例参数参考如下

24脉冲中频炉谐波治理装置安装场地要求如下:

       6.3KV高压滤波装置每条滤波支路需要安装面积长4500mm×宽6000mm×高4000mm,
五条支路就需要长22500mm×宽6000mm×高4000mm,

      10KV高压滤波装置每条滤波支路需要安装面积长5000mm×宽7000mm×高4000mm,
五条支路就需要长25000mm×宽7000mm×高4000mm,

      35KV高压滤波装置每条滤波支路需要安装面积长7000mm×宽9000mm×高4800mm,
五条支路就需要长35000mm×宽9000mm×高4800mm

采购咨询意向提交 * 表示必填
* 联 系 人:  请填写您的真实姓名
公司名称:  请填写您的公司名称
* 手机号码:  请填写您的联系电话
电子邮件:
联系地址:
* 采购咨询说明:
 
关键词标签: 谐波治理  动态无功补偿  电弧炉稳压改造  
相关产品推荐
24脉冲中频炉谐波治理装置
24脉冲中频炉谐波治理装置
多台中频炉高压滤波补偿装置
多台中频炉高压滤波补偿装置
   
关于领波  |  企业文化  |  组织构架  |  团队风采  |  公司大事记  |  联系方式  |  网站地图  |  RSS订阅
上海领波电力科技有限公司 版权所有  沪ICP备12007683
地址:中国上海市宝山区高逸路105号逸仙大厦 网站建设技术支持:恒基联合
技术交流:021-51879239 400-680-9239(全国免费咨询) 传真:021-51673805 E-mail:021@lingbu.com.cn
本站关键词:谐波治理中频炉谐波治理动态无功补偿静止无功发生器SVG有源滤波器APF